JeepsterMan
Couldn't load pickup availability
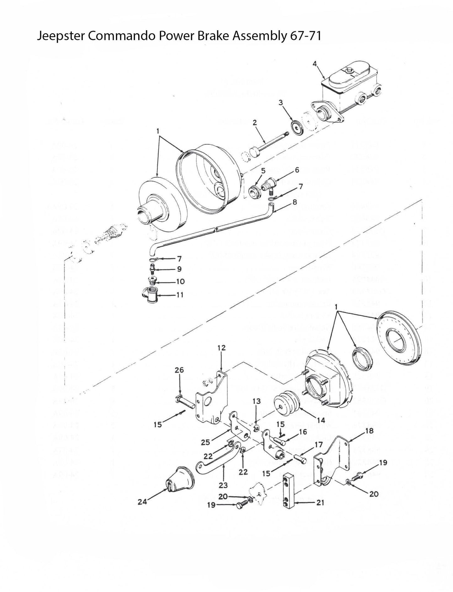
This kit is custom made by JeepsterMan for Jeeps with under dash hanging pedals. Our kits do not utilize a brake fluid actuated switch like the originals do. Instead we use and sell a GM style brake light switch conversion that mounts to your brake pedal under the dash. It is recommended this style switch with our kits. If you are running a disc/drum application a proportioning valve is recommended. We do sell proportioning valves. Includes firewall spacers, booster/firewall bracket, 8″ dual diaphragm booster with check valve, GM 1″ bore universal cast iron master cylinder, rubber firewall boot, master cylinder bleeder kit, and necessary linkage. Fits:
Will not clear 258 stock air cleaner. Note: This booster requires 18″ of vacuum in order to function properly. Please confirm prior to ordering. If you do not have 18″ of vacuum you will want to consider a vacuum canister. Note: Does not include brake light switch, vacuum hose, or new brake lines. Note: 18" in length and 9" total diameter.
Be the first to ask a question about this.
